LDL-T 1mm Lazer Mesafe Sensörü Modülümüz, yüksek doğruluk, kompakt boyut ve hafif tasarımın gerekli olduğu uygulamalar için tasarlanmış son teknoloji bir lazer mesafe ölçümü çözümüdür. Endüstri lideri faz ölçüm teknolojisi ile üretilen bu sensör şunları sunar ±1 mm hassasiyet ve 80 metreye kadar istikrarlı performans sağlayarak endüstriyel otomasyon, robotik, İHA'lar ve akıllı ölçüm sistemleri için idealdir.

LDL-T 1mm Lazer Mesafe Sensörü Modülünün Temel Özellikleri:
-
Ultra Yüksek Hassasiyet: Faz tabanlı ölçüm teknolojisi, olağanüstü bir doğruluk sağlar ±1mm.
-
Uzun Ölçüm Aralığı: Hem iç hem de dış mekan uygulamaları için uygun olan 80 metreye kadar mesafeleri ölçebilir.
-
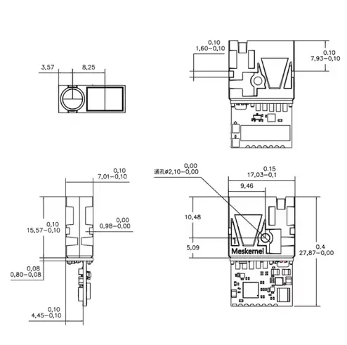
Ultra Kompakt ve Hafif: LDS sensörü, 7,01 × 27,87 × 16,57 mm'lik minimal form faktörü ve sadece 3 g'lık ağırlığı ile alan kısıtlaması olan sistemlere kolayca entegre edilebilir.
-
Esnek Ölçüm Frekansı: Varsayılan ölçüm frekansı 3Hz'dir ve özel gereksinimlerinize uyacak şekilde özelleştirilebilir seçeneklere sahiptir.
-
Güvenilir İletişim: Sorunsuz sistem entegrasyonu için standart seri port iletişimini destekler.
-
Geniş Özelleştirme Desteği: Özel uygulama ihtiyaçlarını karşılamak için OEM, ODM ve OBM hizmetleri mevcuttur.
-
Dayanıklı Yapı: Stabilite ve uzun hizmet ömrü için yüksek kaliteli APB+PCB malzemelerden üretilmiştir.
-
Sertifikalı Kalite: CE, FCC, RoHS ve ISO9001 sertifikaları dahil olmak üzere uluslararası standartlara uygundur.
LDL-T 1mm Lazer Mesafe Sensörü Modülünün Arayüz PCI'ı
LDL-T Lazer Mesafe Sensörü Modülü, tam özelleştirme esnekliğine sahip yüksek hassasiyetli, kompakt ve güvenilir bir lazer ölçüm çözümü arayan mühendisler ve geliştiriciler için mükemmel bir seçimdir.
Çekinmeyin Bize ulaşın veri sayfaları, entegrasyon desteği veya OEM soruları için.





